Santa Clarita, CA
Status: Completed in Summer 2013
| Owner | UCLA Film Archive |
| Precast Concrete Sub-Contractor | Willis Construction Company, San Juan Bautista, CA |
| Structural Engineer | KPFF, San Francisco, CA |
The UCLA Film & Television Archive is the second largest moving image archive in the United States after the Library of Congress, and the World largest University based media archive. It holds over 350,000 Films and television shows.
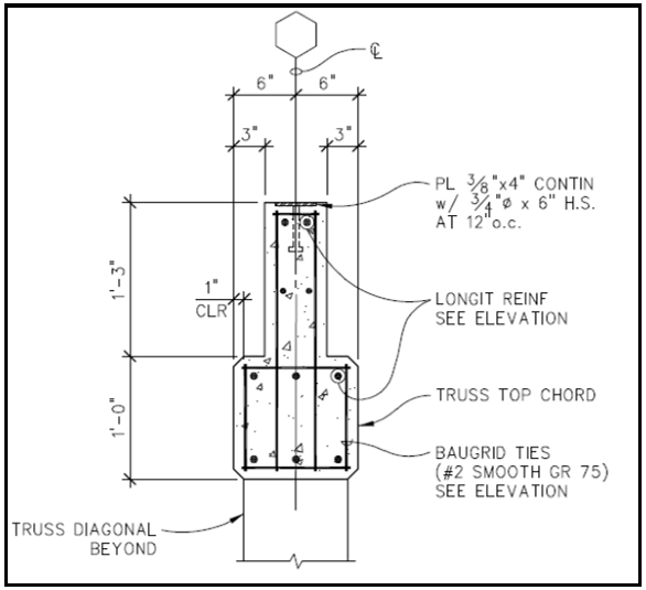
BauGrid® Reinforcement was 3/8” (9.5mm) in over 80 patterns for Poured-in-place Concrete Columns and all Precast Concrete Roof Trusses






